🚀 Ata110 B Wiring Diagram: Master Your Electrical Setup in 5 Steps

Ata110 B Wiring Diagram: Explore our detailed guide on understanding and navigating wiring diagrams and schematics. Master your electrical projects with ease!

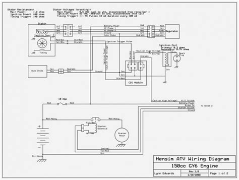
Looking for a comprehensive guide on the Ata110 B Wiring Diagram? This article delves into the intricate world of wiring diagrams and schematics, providing you with detailed insights and explanations. Whether you're a seasoned electrician or a DIY enthusiast, understanding these diagrams is crucial for any wiring project. Wiring diagrams are essential visual representations of electrical circuits, showcasing how components are interconnected. They provide a roadmap for understanding the complex relationships between wires, connectors, and other electrical components. In this article, we'll break down the Ata110 B Wiring Diagram, highlighting key components and connections, helping you navigate through your wiring projects with ease. Whether you're troubleshooting electrical issues or planning a new wiring setup, this guide will be your go-to resource.

Ata110 B Wiring Diagram: Master Your Electrical Setup in 5 Steps

Understanding the Basics of Wiring Diagrams

Understanding the Basics of Wiring Diagrams

Wiring diagrams are essential tools for anyone working with electrical systems. They provide a visual representation of the connections between various components in a circuit. Understanding these diagrams is crucial for troubleshooting and designing new systems.

The Importance of Ata110 B Wiring Diagram

The Importance of Ata110 B Wiring Diagram

Ata110 B Wiring Diagram is a specific wiring diagram for a particular model or system. It details the connections between components in the Ata110 B system, helping users understand how the system is wired and how it functions.

Components and Symbols in Wiring Diagrams

Components and Symbols in Wiring Diagrams

Wiring diagrams use various symbols to represent different components such as resistors, capacitors, switches, and wires. Understanding these symbols is key to interpreting the diagram correctly.

Types of Wiring Diagrams

Types of Wiring Diagrams

There are several types of wiring diagrams, including schematic diagrams which show the electrical components in a system and how they are connected, and wiring diagrams which focus more on the physical layout of the wires and components.

Common Wiring Diagram Symbols

Common Wiring Diagram Symbols

Wiring diagrams use a variety of symbols to represent different components and connections. Some of the most common symbols include lines representing wires, dots indicating connections, and various shapes representing different components.

Reading and Interpreting Wiring Diagrams

Reading and Interpreting Wiring Diagrams

Reading and interpreting wiring diagrams requires a basic understanding of electrical principles and the ability to follow the flow of current through a circuit. It's essential to pay attention to the symbols and connections shown in the diagram.

Benefits of Using Wiring Diagrams

Benefits of Using Wiring Diagrams

Using wiring diagrams can save time and reduce errors when working on electrical systems. They provide a clear visual guide for understanding how components are connected and can help diagnose and fix problems more efficiently.

Conclusion

Conclusion

Understanding wiring diagrams is essential for anyone working with electrical systems. Whether you're a professional electrician or a DIY enthusiast, having a good grasp of these diagrams can help you tackle electrical projects with confidence and efficiency.

Conclusion:

In conclusion, Ata110 B Wiring Diagram is an indispensable tool for anyone working with electrical systems. Whether you're a seasoned professional or a DIY enthusiast, understanding how to read and interpret these diagrams is crucial for ensuring the safety and efficiency of your electrical projects. By familiarizing yourself with the various components, symbols, and types of wiring diagrams, you can confidently tackle any wiring project with ease.

Additionally, wiring diagrams provide a visual roadmap that helps you understand how components are connected and how they function within a system. This knowledge not only enables you to troubleshoot and diagnose electrical issues more effectively but also allows you to plan and execute new wiring installations with precision. So, whether you're repairing a faulty circuit or installing new lighting fixtures, referring to a Ata110 B Wiring Diagram can help you complete your project efficiently and safely.

Keyword:Ata110 B Wiring Diagram

Related Keywords:benefits, Wiring Diagram, Symbols, Components, reading, Ata110 B


0 komentar