⏰ Mitsubishi Raider Engine Diagram: Master Your Wiring with This Comprehensive Guide

Discover the intricacies of the Mitsubishi Raider Engine Diagram. Explore detailed wiring and schematic information to master your engine's electrical system.

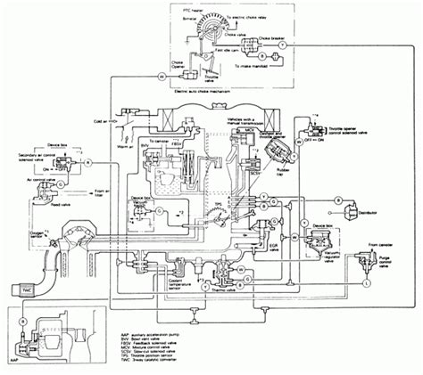
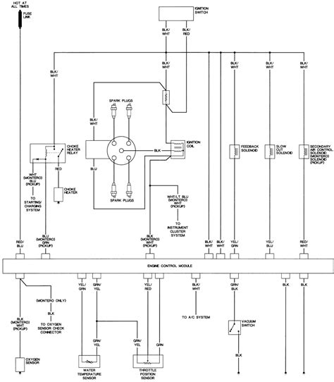
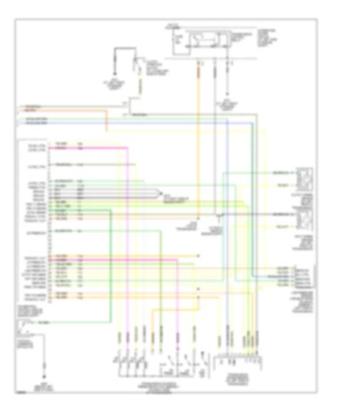
Mitsubishi Raider Engine Diagram presents a comprehensive overview of the wiring diagram and schematic topics related to the Mitsubishi Raider's engine. This article delves into the intricate details of the engine's electrical system, offering valuable insights for both enthusiasts and professionals. Understanding the engine diagram is crucial for diagnosing and troubleshooting electrical issues effectively. The Mitsubishi Raider Engine Diagram provides a visual representation of the engine's wiring, enabling readers to grasp the connections and components involved. By exploring this diagram, readers can enhance their understanding of the Mitsubishi Raider's engine, empowering them to tackle electrical problems with confidence and precision.This article aims to elucidate the complexities of the Mitsubishi Raider's engine diagram, shedding light on its intricate wiring and schematic details. A thorough examination of the engine diagram can unveil the interconnections between various components, offering a deeper insight into the engine's functionality. The Mitsubishi Raider Engine Diagram serves as a valuable resource for individuals seeking to comprehend the inner workings of this vehicle's engine. Through a detailed analysis of the diagram, readers can gain a holistic understanding of the Mitsubishi Raider's engine, enabling them to address wiring and schematic issues proficiently.

Mitsubishi Raider Engine Diagram: Master Your Wiring with This Comprehensive Guide

Introduction Mitsubishi Raider Engine Diagram

The Mitsubishi Raider Engine Diagram provides a detailed overview of the wiring and schematic topics related to the Mitsubishi Raider's engine. Understanding this diagram is essential for diagnosing and troubleshooting electrical issues effectively. It offers a visual representation of the engine's wiring, showcasing the connections and components involved.

Engine Wiring Mitsubishi Raider Engine Diagram

Engine Wiring is a crucial aspect of the Mitsubishi Raider Engine Diagram. It includes detailed information about the wiring connections between various engine components, such as the starter, alternator, and sensors. Understanding engine wiring is essential for maintaining and repairing the engine's electrical system.

Electrical System Mitsubishi Raider Engine Diagram

Electrical System is a key component depicted in the Mitsubishi Raider Engine Diagram. It illustrates the layout of the electrical system, including the battery, fuses, relays, and wiring harnesses. A comprehensive understanding of the electrical system is essential for ensuring the proper functioning of the engine.

Schematic Diagram Mitsubishi Raider Engine Diagram

Schematic Diagram is another crucial aspect covered in the Mitsubishi Raider Engine Diagram. It provides a simplified and graphical representation of the engine's electrical system, making it easier to understand the connections and circuits involved.

Diagnosing Issues Mitsubishi Raider Engine Diagram

Diagnosing Issues is made easier with the help of the Mitsubishi Raider Engine Diagram. By referring to the diagram, technicians and DIY enthusiasts can identify and troubleshoot electrical problems efficiently, ensuring the engine operates smoothly.

Troubleshooting Mitsubishi Raider Engine Diagram

Troubleshooting is a critical skill facilitated by the Mitsubishi Raider Engine Diagram. It provides a systematic approach to identifying and resolving electrical issues, helping to keep the engine running smoothly and efficiently.

Maintenance Mitsubishi Raider Engine Diagram

Maintenance of the engine's electrical system is essential for its longevity and performance. The Mitsubishi Raider Engine Diagram can be a valuable tool for understanding the wiring and schematic details necessary for proper maintenance.

Conclusion Mitsubishi Raider Engine Diagram

Conclusion: The Mitsubishi Raider Engine Diagram is a valuable resource for understanding the intricate details of the engine's wiring and schematic topics. It provides a comprehensive overview of the engine's electrical system, making it easier to diagnose, troubleshoot, and maintain the engine.

Conclusion:

In conclusion, the Mitsubishi Raider Engine Diagram serves as an invaluable resource for enthusiasts and professionals alike, offering a detailed insight into the intricate wiring and schematic topics of the Mitsubishi Raider's engine. By understanding this diagram, individuals can diagnose, troubleshoot, and maintain the engine's electrical system with confidence and precision. Whether you're a technician seeking to enhance your knowledge or a DIY enthusiast looking to tackle electrical issues, the Mitsubishi Raider Engine Diagram provides the necessary guidance to ensure your engine operates smoothly.We hope that our series of articles on the Mitsubishi Raider Engine Diagram has been informative and insightful. If you have any further questions or topics you'd like us to cover, please don't hesitate to reach out. Thank you for visiting our blog, and we look forward to sharing more valuable information with you in the future.

Keyword:Mitsubishi Raider Engine Diagram

Related Keywords:Maintenance, Troubleshooting, Electrical System, schematic, Engine Diagram, Wiring, Mitsubishi Raider


0 komentar