👀 Norton Commando Wiring Diagram: Unlock the Motorcycle's Electrical Secrets

Discover the Norton Commando Wiring Diagram and unravel the motorcycle's electrical system. Learn how to diagnose and resolve electrical issues for a smoother riding experience.

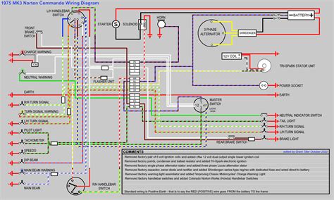
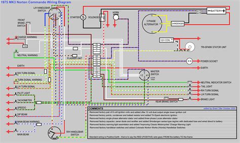
The Norton Commando Wiring Diagram is a crucial component for understanding the electrical systems of these iconic motorcycles. Whether you're a seasoned enthusiast or a novice rider, delving into the intricacies of this diagram can unravel the mysteries behind the Commando's electrical setup. This article serves as a comprehensive guide, exploring the various elements of the wiring diagram and providing insights into how it functions within the overall schematic of the Norton Commando. From the ignition system to the lighting circuits, each element plays a vital role in ensuring the bike operates smoothly and safely. Understanding this diagram can empower riders to diagnose and resolve electrical issues, enhancing their overall riding experience.

Norton Commando Wiring Diagram: Unlock the Motorcycle

Norton Commando Wiring Diagram – Understanding the Basics

Understanding the Basics Norton Commando Wiring Diagram

When it comes to the Norton Commando wiring diagram, it's essential to grasp the fundamentals. This diagram serves as a roadmap, detailing the electrical connections and components within the motorcycle's system. By studying this diagram, riders can gain insights into how the various parts work together to power the Commando.

Key Components of the Wiring Diagram

Key Components Norton Commando Wiring Diagram

The wiring diagram of the Norton Commando highlights key components such as the ignition system, lighting circuits, and battery connections. Each component plays a crucial role in ensuring the motorcycle functions smoothly and efficiently.

Diagnosing Electrical Issues

Diagnosing Electrical Issues Norton Commando Wiring Diagram

One of the primary benefits of understanding the wiring diagram is the ability to diagnose and resolve electrical issues. Whether it's a faulty connection or a blown fuse, the diagram can help riders identify the problem quickly.

Enhancing Your Riding Experience

Enhancing Your Riding Experience Norton Commando Wiring Diagram

By familiarizing yourself with the Norton Commando wiring diagram, you can enhance your overall riding experience. Knowing how to troubleshoot electrical problems can prevent breakdowns and keep your motorcycle running smoothly.

Ensuring Safety on the Road

Ensuring Safety on the Road Norton Commando Wiring Diagram

Another crucial aspect of understanding the wiring diagram is ensuring your safety on the road. A properly functioning electrical system reduces the risk of accidents caused by electrical failures.

Modifying Your Commando

Modifying Your Commando Norton Commando Wiring Diagram

For riders interested in customizing their Norton Commando, the wiring diagram is a valuable resource. It provides insights into how to safely and effectively modify the electrical system.

Consulting a Professional

Consulting a Professional Norton Commando Wiring Diagram

If you're unsure about interpreting the wiring diagram or tackling electrical issues on your own, it's always best to consult a professional. They can provide expert guidance and ensure the safety of your motorcycle.

Conclusion

Conclusion Norton Commando Wiring Diagram

In conclusion, the Norton Commando wiring diagram is a vital tool for understanding and maintaining your motorcycle's electrical system. By familiarizing yourself with this diagram, you can diagnose issues, enhance your riding experience, and ensure your safety on the road.

Conclusion:

Thank you for exploring the intricacies of the Norton Commando Wiring Diagram with us. We hope these articles have provided valuable insights into understanding and maintaining your motorcycle's electrical system. By familiarizing yourself with this diagram, you can diagnose issues, enhance your riding experience, and ensure your safety on the road.

Whether you're a seasoned rider or new to the world of motorcycles, the Norton Commando Wiring Diagram serves as a comprehensive guide to the electrical systems of these iconic bikes. Remember, if you ever encounter any electrical issues beyond your expertise, it's always best to consult a professional. Stay safe, and happy riding!

Keyword:Norton Commando Wiring Diagram

Related Keywords:Maintenance, Wiring Diagram, Electrical System, motorcycle, Norton Commando


0 komentar