⭐️ 02 Dodge Ram Trans Wiring Diagram: Master Your Transmission System!

Discover the intricate details of your 02 Dodge Ram's transmission system with our comprehensive wiring diagram. Understand every component and keep your Ram running smoothly.

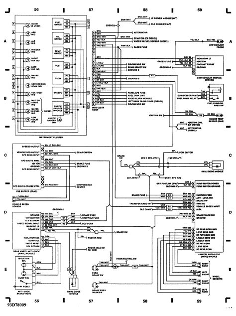
Are you looking to get under the hood of your 2002 Dodge Ram? Understanding the 02 Dodge Ram Trans Wiring Diagram is key to keeping your transmission system running smoothly. This diagram provides a detailed overview of the wiring and electrical components involved in your Ram's transmission system. Whether you're troubleshooting an issue or planning a modification, this diagram is a valuable resource.From the solenoid pack to the transmission control module, every component plays a crucial role in the performance of your Dodge Ram's transmission. By familiarizing yourself with the 02 Dodge Ram Trans Wiring Diagram, you'll be better equipped to tackle any transmission-related tasks or upgrades, ensuring your Ram stays on the road for miles to come.

02 Dodge Ram Trans Wiring Diagram: Master Your Transmission System!

Introduction to 02 Dodge Ram Trans Wiring Diagram

Introduction

02 Dodge Ram Trans Wiring Diagram is a crucial document for anyone working on their Dodge Ram's transmission system. It provides a detailed overview of the electrical components and wiring involved, helping you understand and troubleshoot any issues you may encounter.

Importance of Wiring Diagram in Vehicle

The Importance of Wiring Diagrams

Wiring diagrams are like road maps for your vehicle's electrical system. They show how every wire is connected and where it leads, helping you diagnose and fix electrical problems effectively.

Components of Transmission System

Understanding Transmission Components

To make sense of the wiring diagram, it's essential to understand the various components of your transmission system. This includes the transmission control module, solenoid pack, sensors, and more.

How to Read Wiring Diagram

How to Read a Wiring Diagram

Reading a wiring diagram can seem daunting at first, but it's actually quite simple once you understand the basics. Each wire is represented by a color and a symbol, indicating its function and connection points.

Tips for Using Wiring Diagram

Tips for Using Wiring Diagrams

When using a wiring diagram, it's essential to follow a few tips to ensure accurate troubleshooting. Always double-check your connections, use the correct diagram for your vehicle model, and refer to the legend for symbols.

Common Issues in Wiring System

Common Issues in Wiring Systems

Knowing the common issues in wiring systems can help you diagnose problems faster. Look out for loose connections, frayed wires, and corrosion, as these can all lead to electrical problems.

Maintenance Tips for Vehicle Wiring System

Maintenance Tips for Your Vehicle's Wiring System

To prevent wiring issues, it's essential to maintain your vehicle's wiring system regularly. Keep an eye out for signs of wear and tear, and address any issues promptly to avoid bigger problems down the line.

Conclusion about Wiring Diagram

Conclusion

02 Dodge Ram Trans Wiring Diagram is a valuable tool for anyone working on their Dodge Ram's transmission system. By understanding how to read and use a wiring diagram, you can effectively diagnose and fix electrical issues, keeping your Ram running smoothly.

Conclusion:

Thank you for exploring the intricacies of the 02 Dodge Ram Trans Wiring Diagram with us. We hope this comprehensive guide has provided you with valuable insights into understanding and troubleshooting your Dodge Ram's transmission system. By familiarizing yourself with the wiring diagram and the components of your transmission system, you can effectively diagnose and resolve electrical issues, ensuring optimal performance and longevity for your vehicle.As you continue to work on your Dodge Ram, remember the importance of regular maintenance and attention to detail when dealing with the wiring system. Keeping an eye out for common issues such as loose connections, frayed wires, and corrosion can help you prevent major electrical problems. Utilize the tips and guidelines provided in this guide to make the most of your 02 Dodge Ram Trans Wiring Diagram and keep your vehicle running smoothly for years to come.

Keyword:02 Dodge Ram Trans Wiring Diagram

Related Keywords:Maintenance, Troubleshooting, Wiring Diagram, Vehicle Wiring, Electrical Components, Transmission System, Dodge Ram


0 komentar