⚡️ Chrysler Crossfire Engine Diagram: Unveiling the Power Within

Discover the intricacies of the Chrysler Crossfire engine diagram. Explore the schematic and components of this powerful machine.

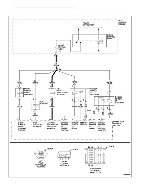
The Chrysler Crossfire is a striking vehicle known for its sleek design and powerful performance. Beneath its hood lies a complex system of components, including the engine, that work together to propel this machine forward. Understanding the engine diagram of the Chrysler Crossfire is crucial for any enthusiast or mechanic looking to maintain or repair this impressive automobile.The engine diagram of the Chrysler Crossfire provides a detailed visual representation of the various components that make up the engine system. From the fuel injectors to the pistons, each part plays a vital role in ensuring the smooth operation of the vehicle. By studying the schematic diagram of the Chrysler Crossfire's engine, one can gain valuable insights into how this complex system functions, making it easier to diagnose and resolve any issues that may arise.

Chrysler Crossfire Engine Diagram: Unveiling the Power Within

Chrysler Crossfire Engine Diagram

The Chrysler Crossfire Engine Diagram: Understanding the intricate wiring and schematic diagrams of modern vehicles is crucial for both enthusiasts and mechanics. In this article, we delve into the complexities of the Chrysler Crossfire engine diagram, exploring its components and their functions.

Engine Components

Engine Components: The engine diagram of the Chrysler Crossfire showcases a myriad of components that work in harmony to power the vehicle. From the cylinders to the pistons, each part plays a crucial role in the engine's operation.

Fuel System

Fuel System: One of the key elements of the engine diagram is the fuel system. This system includes components such as the fuel pump, fuel injectors, and fuel lines, which work together to deliver the right amount of fuel to the engine.

Ignition System

Ignition System: Another crucial aspect of the engine diagram is the ignition system. This system includes components such as the spark plugs, ignition coil, and distributor, which work together to ignite the fuel-air mixture in the cylinders.

Cooling System

Cooling System: The engine diagram also highlights the cooling system, which is responsible for maintaining the engine's temperature within optimal levels. Components such as the radiator, water pump, and thermostat play key roles in this system.

Exhaust System

Exhaust System: The exhaust system is another essential part of the engine diagram. This system includes components such as the exhaust manifold, catalytic converter, and muffler, which work together to remove exhaust gases from the engine.

Electrical System

Electrical System: Lastly, the engine diagram also includes the electrical system, which is responsible for powering various components of the vehicle. Components such as the alternator, battery, and starter motor are crucial parts of this system.

Conclusion

Conclusion: In conclusion, understanding the Chrysler Crossfire engine diagram is essential for anyone looking to gain a deeper insight into the workings of this impressive vehicle. By studying the various components and their functions, enthusiasts and mechanics alike can better maintain and repair the Chrysler Crossfire.

Conclusion:

Thank you for exploring the Chrysler Crossfire Engine Diagram with us. We hope our detailed analysis of the various components and systems has provided valuable insights into the workings of this remarkable vehicle. Understanding the engine diagram is essential for both enthusiasts and mechanics, as it can help diagnose and resolve issues, ensuring the Chrysler Crossfire continues to perform at its best.

Whether you're looking to learn more about the fuel system, ignition system, cooling system, or electrical system of the Chrysler Crossfire, our articles aim to provide comprehensive and informative content. Stay tuned for more insightful articles on wiring diagrams and schematic topics, as we continue to explore the fascinating world of automotive engineering.

Keyword:Chrysler Crossfire Engine Diagram

Related Keywords:Wiring Diagram, Automotive Engineering, Engine Diagram, schematic topics, Chrysler Crossfire


0 komentar